Load Cell Guide
What is a load cell? Learn what a load cell is, how they work, and how you can use them with Phidgets.
Load cells are used to measure weight or forces. They require a load cell interface to function.
| Sensor Properties | |
|---|---|
| Controlled By | Bridge Input | 
| Sensor Type | Shear Beam Load Cell | 
| Load Cell Accuracy Class | * C3 | 
| Weight Capacity Max | 500 kg | 
| Maximum Overload | 750 kg | 
| Creep | 200 g/hr | 
| Zero Balance | ± 5 kg | 
| Electrical Properties | |
| Rated Output | 2 mV/V | 
| Rated Output Error Max | ± 200 μV/V | 
| Output Impedance | 350 Ω | 
| Supply Voltage Max | 12 V DC | 
| Physical Properties | |
| Operating Temperature Min | -20 °C | 
| Operating Temperature Max | 60 °C | 
| Cable Length | 3.5 m | 
| Material | Alloy Steel | 
| Screw Thread Size | M16 | 
| Customs Information | |
| Canadian HS Export Code | 8423.90.00 | 
| American HTS Import Code | 8423.90.10.00 | 
| Country of Origin | CN (China) | 
* You can read more about what the Accuracy Class means in our Load Cell Guide.
See the included calibration sheet for exact values for your load cell.
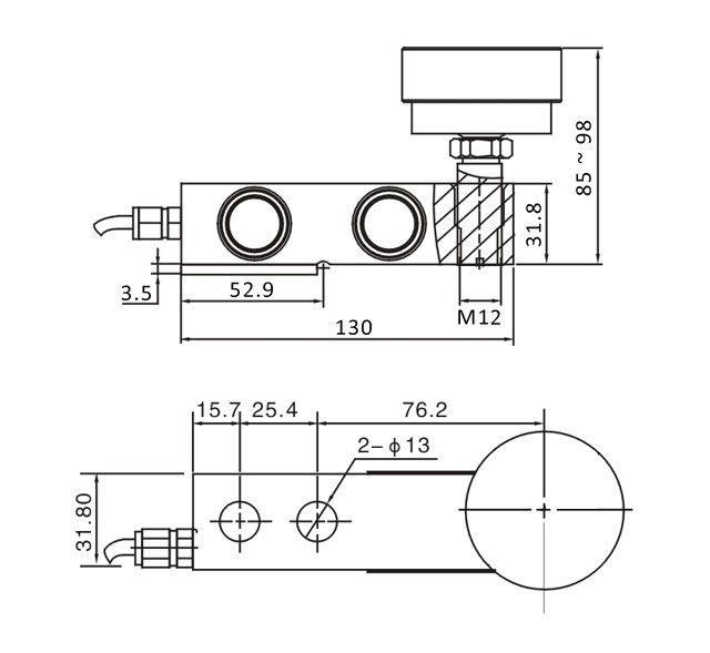
Units in mm
	Use the following table to connect this load cell to your load cell interface:
  | 
![]()  | 
![]()  | 
| Product | Board Properties | ||||
|---|---|---|---|---|---|
| Part Number | Price | Controlled By | Number of Bridge Inputs | Data Rate Max | Differential Voltage Resolution | 
			![]() PhidgetBridge 4-Input 
			 | 
			$95.00 | USB (Mini-USB) | 4 | 1.2 kHz | 24 bit | 
			![]() Wheatstone Bridge Phidget 
			 | 
			$30.00 | VINT | 2 | 50 Hz | 24 bit | 
			![]() PhidgetBridge 4-Input 
			 | 
			$90.00 | USB (Mini-USB) | 4 | 125 Hz | 24 bit | 
| Product | Sensor Properties | ||||||||
|---|---|---|---|---|---|---|---|---|---|
| Part Number | Price | Sensor Type | Weight Capacity Max | Creep | Zero Balance | Cell Repeatability Error Max | Cell Non-Linearity Max | Cell Hysteresis Max | Load Cell Accuracy Class | 
			![]() Single Point Load Cell- 100g 
			 | 
			$7.00 | Single Point Load Cell | 100 g | 100 mg/hr | — | ± 50 mg | 50 mg | 50 mg | Consumer Grade | 
			![]() Single Point Load Cell - 300g (C3) 
			 | 
			$25.00 | Single Point Load Cell | 300 g | 180 mg/hr | ± 15 g | ± 45 mg | 60 mg | 45 mg | * C3 | 
			![]() Single Point Load Cell - 780g 
			 | 
			$6.00 | Single Point Load Cell | 780 g | 1.6 g/hr | ± 11.7 g | ± 390 mg | 390 mg | 390 mg | Consumer Grade | 
			![]() Single Point Load Cell - 780g 
			 | 
			$7.00 | Single Point Load Cell | 780 g | 7.8 g/hr | ± 78 g | ± 390 mg | 390 mg | 390 mg | Consumer Grade | 
			![]() Single Point Load Cell - 3kg (C2) 
			 | 
			$20.00 | Single Point Load Cell | 3 kg | 1.8 g/hr | ± 45 g | ± 900 mg | 900 mg | 900 mg | * C2 | 
			![]() Single Point Load Cell - 3kg (C4) 
			 | 
			$35.00 | Single Point Load Cell | 3 kg | 1.2 g/hr | ± 150 g | ± 300 mg | 450 mg | 300 mg | * C4 | 
			![]() Single Point Load Cell - 5kg 
			 | 
			$7.00 | Single Point Load Cell | 5 kg | 5 g/hr | ± 75 g | ± 2.5 g | 2.5 g | 2.5 g | Consumer Grade | 
			![]() Single Point Load Cell - 5kg 
			 | 
			$7.00 | Single Point Load Cell | 5 kg | 50 g/hr | ± 500 g | ± 2.5 g | 2.5 g | 2.5 g | Consumer Grade | 
			![]() Single Point Load Cell - 10kg (C2) 
			 | 
			$20.00 | Single Point Load Cell | 10 kg | 6 g/hr | ± 150 g | ± 3 g | 3 g | 3 g | * C2 | 
			![]() Single Point Load Cell - 10kg (C3) 
			 | 
			$25.00 | Single Point Load Cell | 10 kg | 4 g/hr | ± 200 g | ± 2 g | 2 g | 2 g | * C3 | 
			![]() Single Point Load Cell - 10kg (C4) 
			 | 
			$35.00 | Single Point Load Cell | 10 kg | 4 g/hr | ± 500 g | ± 1 g | 1.5 g | 1 g | * C4 | 
			![]() Single Point Load Cell - 20kg 
			 | 
			$7.00 | Single Point Load Cell | 20 kg | 20 g/hr | ± 300 g | ± 10 g | 10 g | 10 g | Consumer Grade | 
			![]() Single Point Load Cell - 25kg 
			 | 
			$7.00 | Single Point Load Cell | 25 kg | 250 g/hr | ± 2.5 kg | ± 12.5 g | 12.5 g | 12.5 g | Consumer Grade | 
			![]() Single Point Load Cell - 30kg (C2) 
			 | 
			$20.00 | Single Point Load Cell | 30 kg | 18 g/hr | ± 450 g | ± 9 g | 9 g | 9 g | * C2 | 
			![]() Single Point Load Cell - 30kg (C4) 
			 | 
			$35.00 | Single Point Load Cell | 30 kg | 12 g/hr | ± 1.5 kg | ± 3 g | 4.5 g | 3 g | * C4 | 
			![]() Single Point Load Cell - 50kg 
			 | 
			$7.00 | Single Point Load Cell | 50 kg | 50 g/hr | ± 750 g | ± 25 g | 25 g | 25 g | Consumer Grade | 
			![]() Single Point Load Cell - 100kg (C2) 
			 | 
			$20.00 | Single Point Load Cell | 100 kg | 60 g/hr | ± 1.5 kg | ± 30 g | 30 g | 30 g | * C2 | 
			![]() Single Point Load Cell - 100kg (C4) 
			 | 
			$25.00 | Single Point Load Cell | 100 kg | 40 g/hr | ± 5 kg | ± 10 g | 15 g | 10 g | * C4 | 
			![]() Single Point Load Cell - 200kg (C3) 
			 | 
			$35.00 | Single Point Load Cell | 200 kg | 80 g/hr | ± 2 kg | ± 40 g | 40 g | 40 g | * C3 | 
			![]() Single Point Load Cell - 500kg (C3) 
			 | 
			$35.00 | Single Point Load Cell | 500 kg | 200 g/hr | ± 5 kg | ± 100 g | 100 g | 100 g | * C3 | 
			![]() Platform Load Cells - 30kg (Matched set of 4) 
			 | 
			$65.00 | Platform (Matched Set) | 30 kg | 450 g/hr | ± 2 kg | ± 15 g | 15 g | 15 g | * C1 | 
			![]() Platform Load Cells - 75kg (Matched set of 4) 
			 | 
			$65.00 | Platform (Matched Set) | 75 kg | 1.1 kg/hr | ± 5 kg | ± 37.5 g | 37.5 g | 37.5 g | * C1 | 
			![]() Platform Load Cells - 150kg (Matched set of 4) 
			 | 
			$65.00 | Platform (Matched Set) | 150 kg | 2.3 kg/hr | ± 7.5 kg | ± 75 g | 75 g | 75 g | * C1 | 
			![]() S-Type Load Cell - 2kg (C2) 
			 | 
			$40.00 | S-Type Load Cell | 2 kg | 1.2 g/hr | ± 40 g | ± 400 mg | 600 mg | 400 mg | * C2 | 
			![]() S-Type Load Cell - 10kg (C2) 
			 | 
			$40.00 | S-Type Load Cell | 10 kg | 6 g/hr | ± 200 g | ± 2 g | 3 g | 2 g | * C2 | 
			![]() S-Type Load Cell - 30kg (C2) 
			 | 
			$40.00 | S-Type Load Cell | 30 kg | 18 g/hr | ± 600 g | ± 6 g | 9 g | 6 g | * C2 | 
			![]() Steel S-Type Load Cell - 50kg (C3) 
			 | 
			$40.00 | S-Type Load Cell | 50 kg | 50 g/hr | ± 750 g | ± 25 g | 25 g | 25 g | * C3 | 
			![]() S-Type Load Cell - 100kg (C2) 
			 | 
			$45.00 | Compression/Tension Load Cell | 100 kg | — | — | — | — | — | ** C2 | 
			![]() Steel S-Type Load Cell - 100kg (C3) 
			 | 
			$50.00 | S-Type Load Cell | 100 kg | 100 g/hr | ± 1.5 kg | ± 50 g | 50 g | 50 g | * C3 | 
			![]() Steel S-Type Load Cell - 200kg (C3) 
			 | 
			$50.00 | S-Type Load Cell | 200 kg | 200 g/hr | ± 3 kg | ± 100 g | 100 g | 100 g | * C3 | 
			![]() S-Type Load Cell - 500kg (C2) 
			 | 
			$50.00 | Compression/Tension Load Cell | 500 kg | — | — | — | — | — | ** C2 | 
			![]() Steel S-Type Load Cell - 500kg (C3) 
			 | 
			$50.00 | S-Type Load Cell | 500 kg | 500 g/hr | ± 7.5 kg | ± 250 g | 250 g | 250 g | * C3 | 
			![]() Steel S-Type Load Cell - 1000kg (C3) 
			 | 
			$60.00 | S-Type Load Cell | 1 Mg | 1 kg/hr | ± 15 kg | ± 500 g | 500 g | 500 g | * C3 | 
			![]() Shear Beam Load Cell - 500kg (C3) 
			 | 
			$75.00 | Shear Beam Load Cell | 500 kg | 200 g/hr | ± 5 kg | — | — | — | * C3 | 
			![]() Button Load Cell - 200kg (C2) 
			 | 
			$45.00 | Compression Load Cell | 200 kg | * 40 g/hr | * ± 2 kg | * ± 200 g | * 400 g | — | ** C2 | 
			![]() Button Load Cell - 50kg (C2) 
			 | 
			$45.00 | Compression Load Cell | 50 kg | * 20 g/hr | * ± 500 g | * ± 100 g | * 100 g | — | ** C2 | 
			![]() Button Load Cell - 1000kg (C2) 
			 | 
			$50.00 | Compression Load Cell | 1 Mg | — | — | — | — | — | ** C2 | 
Units in mm